Skip to main navigation
Skip to main content
Skip to page footer
Maschinen
Submenu for "Maschinen"
LaserLine
Laserschneidanlage HLF mit IPG 1 – 30 kW
Laserschneidanlage HLB mit Raycus 3 - 20 kW
Flachbettlaser HLA mit Raycus 3 - 20 kW
Laserschneidmaschine HLC mit Raycus 2 – 30 kW
Kompakter Blechlaser MINI mit Raycus 1,5 - 3,0 kW
CutLine
HGR mit Kulissen-Rollen-Führung
B-Line in Schwingschnitt-Ausführung
BI-Line die preiswerte Alternative
C-Line mit Kulissen-Führung
A-Line mit elektrischem Antrieb
CGI für Dünnblech bis 3 mm
PressLine
PRL mit Quertraverse bis 200 t
PRCN mit Quertraverse bis 500 t
PRCB hydraulisch 30 - 600 t
C-Line hydraulisch 100 - 1500 t
B-Line hydraulisch 40 - 320 t
A-Line hydraulisch 40 - 220 t
Biegezelle mit Roboter
PRCE mit elektrischem Spindelantrieb
E-Line mit elektrischem Riemenantrieb
Schwenkbiege mit elektrischem Antrieb
BendLine
4-Walzen MG4R mit bogenförmiger Zustellung
4-Walzen HR4W mit Elektro-Hydraulik-Antrieb
4-Walzen MG4LG mit linearer Zustellung
3-Walzen MGV mit variablen Achsen
3-Walzen MG3R mit bogenförmiger Zustellung
2-Walzen MG2R mit gummierter Unterwalze
Beispiele für Sonderlösungen
ProfileLine
3-Rollen MG3P mit bogenförmiger Zustellung
4-Rollen MG4P mit bogenförmiger Zustellung
3-Rollen MG3PL mit linearer Zustellung
4-Rollen MG4PL mit linearer Zustellung
4-Rollen HR4P mit gerader Zustellung
3-Rollen MG3PR elektrisch oder hydraulisch
FlatLine
Richtmaschine RM für Blech 4 - 50 mm
Spiralwendel-Biegemaschine für Schneckenflügel
Shop
Submenu for "Shop"
Services
Wartungspakete und Hydrauliköl
Ersatzmesser für Tafelscheren
Laser-Zubehör, E-Teile und Schneid-Düsen
Vakuum-Heber für einfaches Blech-Handling
Zubehör Laserschneidanlagen
Düsen Precitec Procutter 1.0 und 2.0
Düsen RayTools 3kW BM111 und BM111E
Düsen RayTools ab 4kW bis 20kW
Ersatzteile Baureihe HLF und HLC
Ersatzteile Baureihe HLB
Abkant-Werkzeuge und Pressen-Zubehör
Oberwerkzeuge
Unterwerkzeuge
(current)
Zudrückwerkzeuge
Stempelhalter
Matrizenhalter
Radienwerkzeuge
Abkant-Folie
Werkzeugschrank
Referenzen
Service
Submenu for "Service"
Finanzierung
Technischer Kundenservice
Lieferung
Inbetriebnahme
Schulung
Sicherheits- Unterweisung
Wartung
Hydrauliköl Service
Wartungs- Vertrag
Pressenprüfung BGV
Messerservice für Tafelscheren
Kostensätze
Karriere
Unternehmen
Kontakt
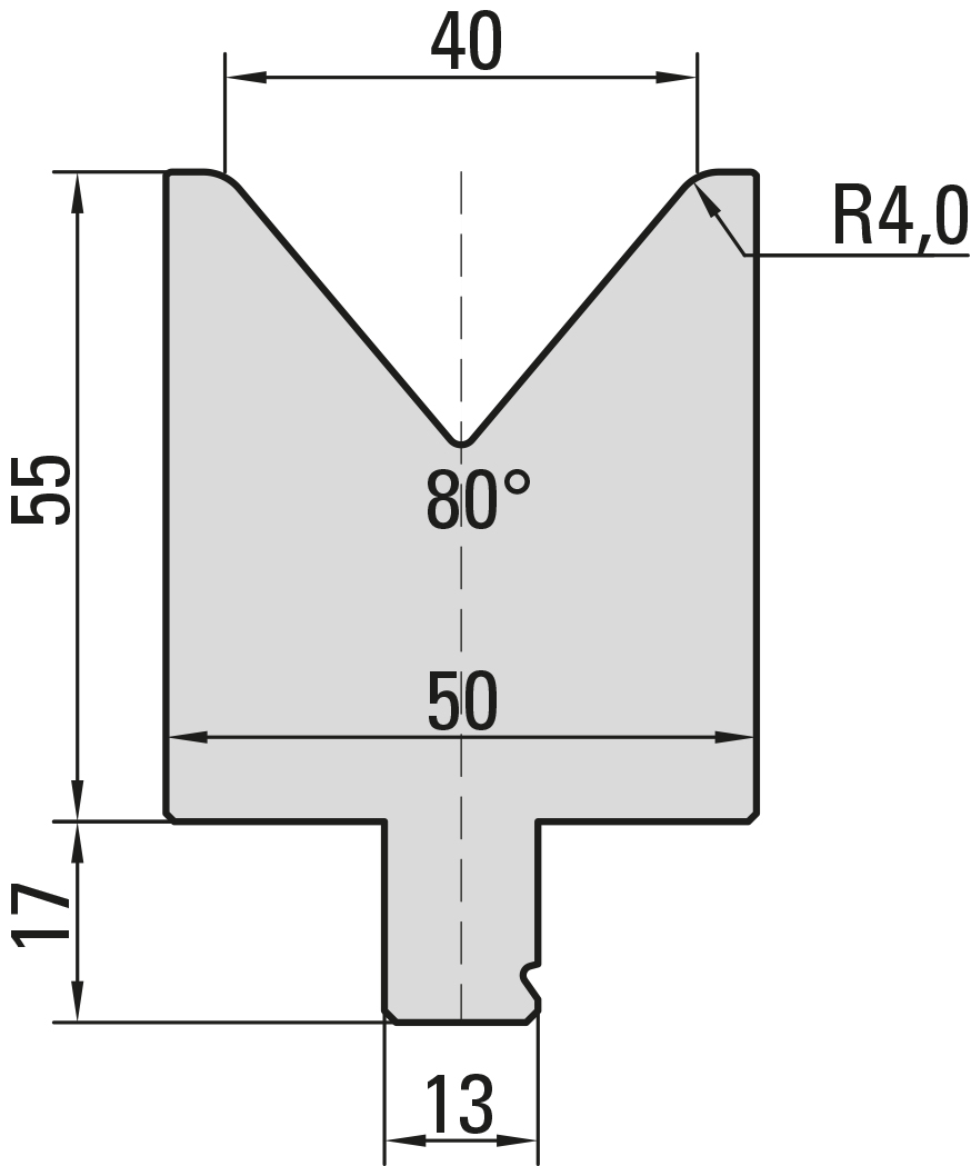
80° Matrize, V=40mm, R=4,0mm, H=55mm
Abkantwerkzeug
Unterwerkzeug
WILA-Klemmung
Artikelnummer
29515-100
Länge
100 mm
Winkel
80°
Werkzeughöhe
55 mm
Gesamtgewicht
1.9 kg
80° Matrize, V=40mm, R=4,0mm, H=55mm, B=50mm, L=100mm, UKB-System Wila
112 €
Artikelnummer
29515-200
Länge
200 mm
Winkel
80°
Werkzeughöhe
55 mm
Gesamtgewicht
3.9 kg
80° Matrize, V=40mm, R=4,0mm, H=55mm, B=50mm, L=200mm, UKB-System Wila
216 €
Artikelnummer
29515-300
Länge
300 mm
Winkel
80°
Werkzeughöhe
55 mm
Gesamtgewicht
5.8 kg
80° Matrize, V=40mm, R=4,0mm, H=55mm, B=50mm, L=300mm, UKB-System Wila
274 €
Artikelnummer
29515-515
Länge
515 mm
Winkel
80°
Werkzeughöhe
55 mm
Gesamtgewicht
10 kg
80° Matrize, V=40mm, R=4,0mm, H=55mm, B=50mm, L=515mm, UKB-System Wila
322 €
Artikelnummer
29515-550s
Länge
550 mm
Winkel
80°
Werkzeughöhe
55 mm
Gesamtgewicht
10.7 kg
80° Matrize, V=40mm, R=4,0mm, H=55mm, B=50mm, L=550mm sektioniert in
2x25/30/35/40/45/50/100/200mm, UKB-System Wila
582 €
Alle Preise sind Nettopreise zzgl. 19% MwSt. und
Versandkosten
Zurück zur Übersicht