Skip to main navigation Skip to main content Skip to page footer

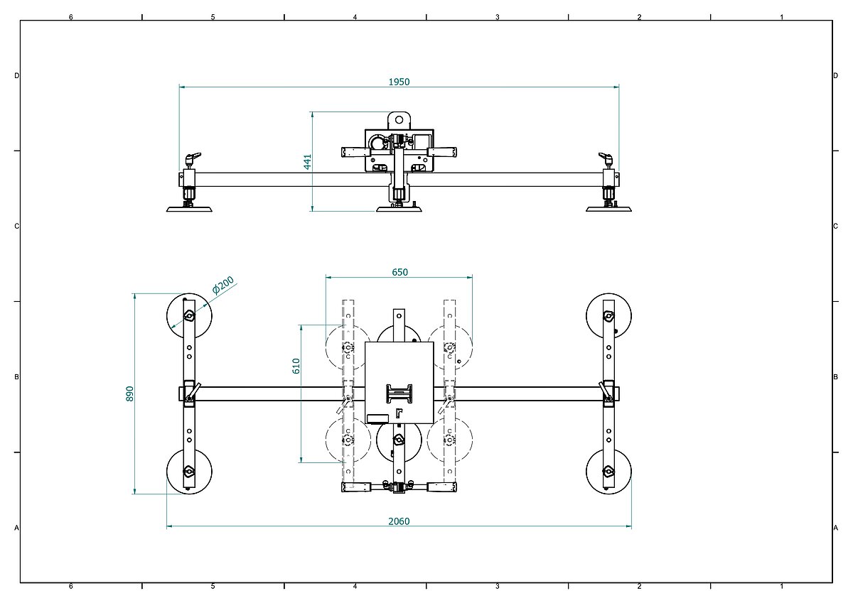
Vakuumheber Modell FS6A500

Laser-Zubehör
Vakuumheber
Druckluft
Artikelnummer FS6A500
Vakuumheber Modell FS6A500 Druckluftbetriebene Vakuumpumpe mit 500 kg Hebeleistung verteilt auf 6 Saugplatten Ø 200 mm

Haupt-Traverse 1.950 mm x 3 Quer-Traversen a 830 mm Verstellbarer Aufnahmebereich von 610 x 650 mm bis 890 x 2.060 mm

3.880 €
Alle Preise sind Nettopreise zzgl. 19% MwSt. und Versandkosten